搜索
网站首页
关于我们
关于我们
公司简介
资质荣誉
企业文化
产品中心
产品中心
户外高压电力设备
成套高压电气设备
户内高压电力设备
高压户内外互感器
环网柜配件
新闻资讯
新闻资讯
公司新闻
行业动态
生产设备
资料下载
联系我们
"navigation"
网站首页
关于我们
公司简介
资质荣誉
企业文化
产品中心
户外高压电力设备
成套高压电气设备
户内高压电力设备
高压户内外互感器
环网柜配件
新闻资讯
公司新闻
行业动态
生产设备
资料下载
联系我们
Product Center
产品中心
产品中心
首页
-
产品中心
-
高压户内外互感器
-
高压35KV互感器
-
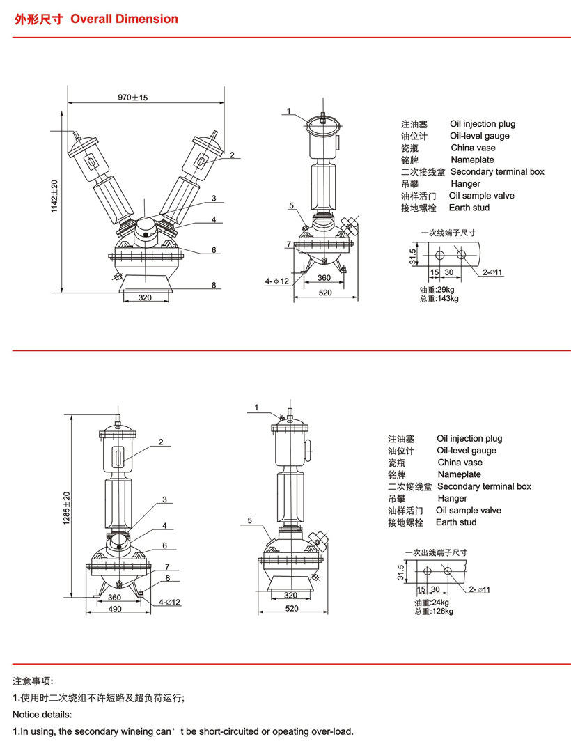
JD6-35电压互感器
JD6-35电压互感器
详细资料
返回
上一个:
LJW(D)1-35电流互感器
下一个:
LZZB-35W电流互感器
返回>>
相关产品
JDJ2-35电压互感器
LCWD1-35电流互感器
LB6-35电流互感器
LJW(D)1-35电流互感器
© 乐清市吉电电气有限公司
浙ICP备17008709号
XML
网站地图
友情链接:
高压线路型避雷器
六氟化硫断路器
户外高压隔离开关
户外高压计量箱
户外高压熔断器
户外真空断路器
户外真空负荷开关
户外智能型断路器
户外型油断路器
低压成套设备
高压成套设备
电缆分支箱
欧式箱变
美式箱变
高压开闭锁
FDM充气柜
熔断管
户内SF6断路器
户内SF6负荷开关
户内型负荷开关
户内型隔离开关
户内型接地开关
户内真空断路器
户内真空负荷开关
在线
QQ
897922746
在线QQ
微信
咨询
微信二维码
客服
热线
13868716727
客服热线