| ZW10-12型户外智能真空断路器: |
ZW10-12F型户外智能真空断路器,主要用于10KV架空线路作为出线、分段及用户分界开关使用,断路器由开关本体及智能控制装置两部分组成。在环网供电线路中断路器作为分界开关使用,应配置双侧PT(一只可置开关本体)。选择控制装置可分别检测两侧电压,实现故障自动隔离及网络重构功能。在环网供电或单向射线状供电线路中,荣基断路器作为出线开关时,配进线侧PT(可内置PT),控制装置,可作为出线保护开关或重合器使用。断路器本体也可内置专用零序电流互感器,增加零序接地保护和报警功能,在单向射状供电方式中作为分段开关,分支开关或用户分界开关使用时,可选择内置单PT或内置单侧双PT控制装置,可实现故障自动隔离与故障定位功能。
ZW10-12F产品特点:
1.采用永磁机构,该机构体积小,重量轻,结构简单,运动部件少,可靠性高。
2.可根据使用场合不同灵活配置开关本体和控制器,实现各种不同保护要求。
3.装置可实现手控,电控,红外控,遥控等多种控制手段,并可开通GPRS无线通讯进行远方监控。
4.开关本体可内置PT,PT各相均有保险,安装方便,运行安全可靠。
5.开关本体可内置零序电流互感器,实现接地故障保护和报警功能。
以下是对真空断路器的基本术语和各部分的具体介绍
1.真空断路器技术标准真空断路器在我国近十年来得到了蓬勃的发展,至今方兴未艾。产品从过去的ZN1~ZN5几个品种发展到现在数十多个型号、品种,额定电流达到5000A,开断电流达到50kA的较好水平,并已发展到电压达35kV等级。80年代以前,真空断路器处于发展的起步阶段,技术上在不断摸索,还不能制定技术标准,直到1985年后才制定相关的产品标准。
ZW10-12F产品执行标准:
JP3855-96《3.6~40.5kV交流高压真空断路器通用技术条件》
DL403-91《10~35kV户内高压断路器订货技术条件》
这里需要说明:IEC标准中并无与我国JB3855相对应的专用标准,只是套用《IEC56交流高压断路器》。
因此,我国真空断路器的标准至少在下列几个方面高于或严于IEC标准:
ZW10-12型优点:
1、内部采用了特殊的抗凝露措施,确保箱体内绝缘;
2、转动方式采用专利技术,安装方便、动作可靠,避免因机械故障影响断路的性能;
3、不充油、不充气、体积小、重量轻、无需检修。
4、分断电流大,无污染,无需检修。
5、操纵既可电动,也可手动。
ZW10-12型户外智能真空断路器:
1额定参数
|
序号 |
项 目 |
单位 |
参 数 |
|||||
|
1 |
额定电压 |
KV |
12 |
|||||
|
2 |
额定电流 |
A |
630 |
|||||
|
3 |
额定频率 |
HZ |
50 |
|||||
|
4 |
工频耐受电压 |
KV |
42/48 |
|||||
|
5 |
雷电冲击电压(峰值) |
KV |
75/85 |
|||||
|
6 |
额定短路开断电流 |
KA |
6.3 |
12.5 |
16 |
20 |
||
|
7 |
额定短路关合电流(峰值) |
KA |
16 |
31.5 |
40 |
50 |
||
|
8 |
额定短时耐受电流 |
KA |
6.3 |
12.5 |
16 |
20 |
||
|
9 |
额定峰值耐受电流 |
KA |
16 |
31.5 |
40 |
50 |
||
|
10 |
额定操作顺序 |
|
分—0.3S—合分—180S合分 |
|||||
|
11 |
额定短路电流开断次数 |
次 |
30 |
|||||
|
12 |
机械寿命 |
次 |
10000 |
|||||
|
13 |
动触头允许磨损累计厚度 |
mm |
3 |
4 |
||||
|
14 |
额定操作电压 配CT型弹簧操动机构 |
合闸线圈 |
V |
直流或交流220V |
||||
|
分闸线圈 |
||||||||
|
15 |
过流脱扣线圈额定工作电流 |
A |
5 |
|||||
|
16 |
电流互感器一、二次电流比 |
|
100/5.200/5.300/5.400/5.630/5 |
|||||
|
17 |
储能电机 |
客定电压 |
V |
直流或交流220V |
||||
|
功率 |
W |
≤200 |
||||||
|
18 |
重量 |
Kg |
150 |
|||||
2机械参数
|
序号 |
项 目 |
单 位 |
参 数 |
|
1 |
触头开距 |
mm |
11±1 |
|
2 |
触头行程 |
mm |
3±0.5 |
|
3 |
平均分闸速度 |
m/s |
1±0.2 |
|
4 |
平均合闸速度 |
m/s |
0.8±0.2 |
|
5 |
合闸弹跳时间 |
ms |
≤3 |
|
6 |
三相分闸同期性 |
ms |
≤2 |
|
7 |
三相合闸同期性 |
ms |
≤3 |
|
8 |
合闸时间 |
ms |
40-60 |
|
9 |
分闸时间 |
ms |
30-50 |
|
10 |
每极主回路电阻 |
ms |
≤200 |
|
11 |
相间中心距 |
|
220±1.5 |
|
12 |
合闸状态触头弹簧长度 |
mm |
25.5 |
3隔离开关技术数据
|
序号 |
项 目 |
单 位 |
数 据 |
|
1 |
额定电压 |
KV |
12 |
|
2 |
额定电流 |
A |
630 |
|
3 |
4s热稳定电流(有效值) |
KA |
20 |
|
4 |
动稳定电流(峰值) |
KA |
50 |
|
5 |
1.2/50μs全波冲击电压(峰值) |
KV |
相对地75断口85 |
|
6 |
1min工频耐压 |
KV |
42 |
|
7 |
各相导电回路电阻 |
μΩ |
≤60 |
|
8 |
合闸手动操作力矩 |
Nm |
≤150 |
|
9 |
触刀刚合位置偏斜 |
mm |
≤2 |
|
10 |
导电部分对地绝缘距离 |
mm |
≥160 |
|
11 |
断口开距 |
mm |
≥200 |
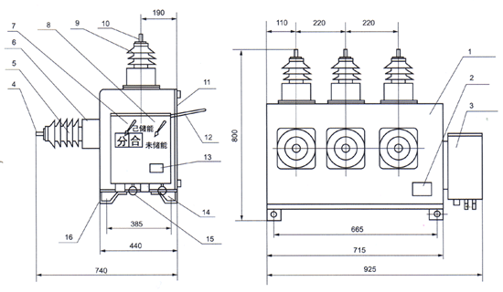
ZW10-12型外形及安装尺寸:

1、箱体 2、产品铭牌 3、操动机构 4、接线端字 5、绝缘子
6、电流互感器 7、分合指针 8、储能指针 9、绝缘子 10、接线端子
11、后盖板 12、手动储能摇柄 13、手动机构铭牌 14、手动合闸拉环
15、手动合闸拉环 16、接地螺栓

