GN19-12型高压隔离开关概述:
GN19-12系列户内高压隔离开关(以下简称隔离开关)为额定电压12千伏,三相交流50赫兹的户内装置。
使用环境条件:
a.安装场所应无严重影响隔离开关绝缘和导电能力的气体、蒸汽、化学性沉积、盐雾、灰尘、污垢及其他爆炸性、侵蚀性物质。
b.安装场所应无频繁的剧烈振动。
GN27-40.5型高压隔离开关外形及安装尺寸:
产品型号
A
B
C
D
GN19-12/400
450
446
185
4-14×24
GN19-12/630
470
446
185
GN19-12/1000/1250
510
500
196
4-18×28
GN19-12C/400
420
690
185
4-14×24
GN19-12C/630
430
690
185
GN19-12C/1000/1250
470
745
196
4-18×28
本开关与CS6-1操作机构的第一种安装图
本开关与CS6-1操作机构的第二种安装图
连杆的装配图
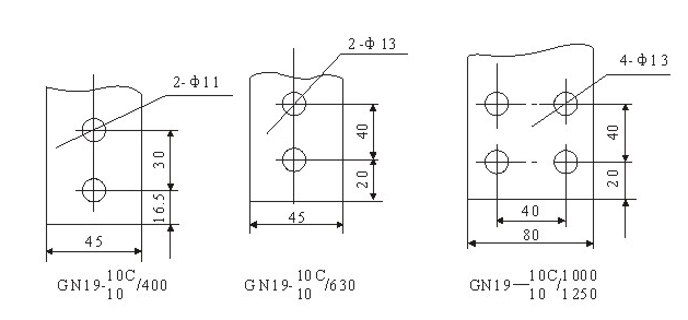
GN19-12型高压隔离开关安装孔位:

