GN27-40.5型高压隔离开关概述:
GN27-40.5型户内高压隔离开关是一种新型产品。适用于额定电压40.5kV,交流50Hz的电力系统中,在有电压无负载情况下分、合电路之用,是替代老产品而设计生产的换代产品。可与高压开关柜配套,亦可单独使用。配用CS6-2操作机构。均采用加强绝缘设计,可满足Ⅱ级污染场所条件下使用。
设计科学、合理、结构新颖;多触点,旋转式接触 ,自清扫能力好,提高散热能力;接触点在两个面内,操作力矩小,接触压力大,易调整;采用大爬距,加强绝缘能力、耐受电压均满足最高要求;在转轴上加装轴承,使用寿命提高,操作轻便。
该系列隔离开关为垂直转动闸刀式三相共底架结构。断口侧静触头设计成摆动式多触片触头,具有单片触头接触压力小、磨损低、散热面积大、操作力矩小等优点,同时采用大爬距支柱绝缘子和拉杆绝缘子、具有高绝缘性能和高机械强度。为满足需要,设计有平装型 、穿墙型、带接地刀等型式。该系列隔离开关可以水平、垂直或倾斜安装。
GN27-40.5型高压隔离开关产品特点:
1.设计科学、合理、结构新颖;
2.多触点,旋转式接触,自清扫能力好,提高散热能力;
3.接触点在两个面内,操作力矩小、耐压力大,易调整;
4.采用在爬距,加强绝缘能力、耐受电压均满足最高要求;
5.在转轴上加装轴承,使用寿命提高,操作轻便。
GN27-40.5型高压隔离开关主要技术参数:
|
型号 |
额定电压kv |
额定电流A |
额定短时耐受电流有效值/时间 KA/4s |
额定峰值耐受电流kA |
雷电冲击耐受电压kV |
1min工频耐受电压Kv |
||
|
对地及极间 |
断口 |
对地及极间 |
断口 |
|||||
|
GN27-41.5CD/630-20 |
40.5 |
630 |
20/4S |
50 |
185 |
215 |
95 |
115 |
|
GN27-41.5CD/1250-31.5 |
40.5 |
1250 |
31.5/4S |
80 |
185 |
215 |
95 |
115 |
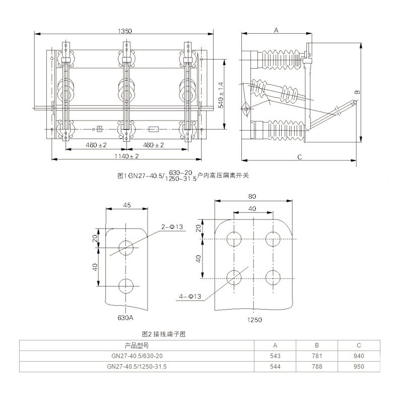
GN27-40.5型高压隔离开关外形安装尺寸:

