乐清市吉电电气有限公司GW9-12高压隔离开关系列:
GW9-10/200A,GW9-10/400A,GW9-10/630A,GW9-10/1000A,GW9-10/1250A,GW9-10/15,HGW9-10/200A,HGW9-10/400A,HGW9-10/630A,HGW9-10/1000A,HGW9-10/1250A,HGW9-10/15系列户外单极隔离开关,是交流50H的户外装置,用于频率为50HZ、10kV供电网中,供高压线路在有电压无负载情况下进行换接,以及对被检修的高压母线、断路器等电器设备与带电的高压线路进行电气隔离之用。也可用于分、合很小的电容电流和电感电流。GW9、HGW9型户外交流高压隔离开关供三相线路系统单相使用,其结构简单、经济、使用方便。
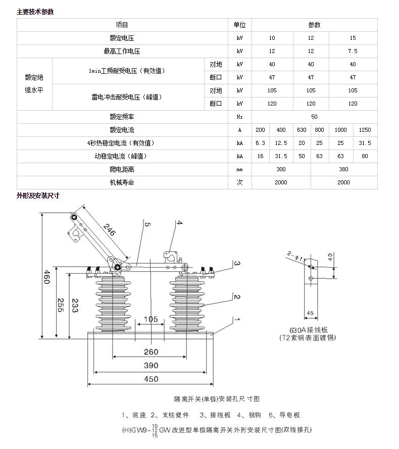
本产品为单断口垂直打开式结构,单极隔离开关支柱绝缘子安装在各自底架上,主要由底座、支柱绝缘子、主导电回路部分、自锁装置等组成。采用闸刀式结构分合闸达到切断和闭合线路,每相闸刀由两片导电刀片组成,刀片两侧外装有压缩弹簧,调节弹簧的高度可以得到开关闸刀所需要的接触压力。开关分合闸时用绝缘构棒操作机构部分,闸刀有自锁装置。
隔离开关的额定电流有:200A.400A.600A.630A.800A.1000.1250A。
GW9、HGW9型户外交流高压隔离开关分合时用绝缘钩棒操作,闸刀合闸时本体带有自锁装置。本产品分为普通型和防污型两种。
GW9-12高压隔离开关系列使用环境:
(1)环境温度:- 40℃~+40℃
(2)海拔高度:≤2000m
(3)相对湿度:≤95%(+20℃)
(4)支柱绝缘子污秽等级:普通型为2级、防污型为3级。
GW9-12高压隔离开关系列功能特点:
(1)GW9、HGW9系列隔离开关具有良好的防污能力,其泄露比I型为3.2cm/Kv,II型为4.0cm/Kv,在污秽地区使用,可大大提高运行的安全可靠性。
(2)GW9、HGW9型户外高压隔离开关系单相交流50赫兹高压开关设备,用于额定电压为10~35kv的电力系统中,作为有电压负荷时分合电路之用.本开关用绝缘棒进行操作户外单极隔离开关适用于10~35kv输配电线路上,截断、闭合空载负荷的单相或三相电路。
(3)开关处于合闸状态时,能可靠地通过线路正常工作电流,或故障断路电流。
(4)断开时,可以保证被检修的电气设备与有载电压的部分完全隔开,便于检修人员进行安全检修。
(5)载10-15KV配电装置中,广泛地与配电变压器、高压熔断器、高压油开关配合使用。户外单极隔离开关结构简单,运行可靠,操作安全,造价经济。
(6)产品性能符合GB1985-89国家标准。
(7)隔离开关分合时用绝缘构棒操作,绝缘构棒扣住隔离开关锁钩,拉动锁钩向分闸方向,解开自锁装置后带动与之相连的导电板旋转实现分闸动作,合闸时由绝缘钩棒顶住隔离开关锁钩带动转轴选装,使之相连的导电板转动至合闸位置,此时自锁装置将隔离开关锁定在合闸位置。
GW9-12高压隔离开关系列技术参数安装尺寸:


