JLS计量箱
| 高压计量箱的产品概述: |
|
JLS-10高压计量箱为户外油浸式计量箱,适用于50Hz,6-10kV三相电力线路中,作为电能计量用,尤其适用于用电负荷变化大的工作场合。油式瓷瓶计量箱应用年限较长,技术成熟,性能稳定,运行可靠,价格低廉。 |
| 高压计量箱的使用环境: |
|
1、安装场所:户外 |
| 高压计量箱的结构特点: |
|
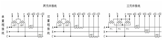
变压器油绝缘性能好,散热好,皮实耐用。产品分为两元件和三元件两种。两元件中A、C两相装有电压、电流互感器,电压互感器为V/V接线。二次电压为100V。配用三相三线电能表。三元件中A、B、C三相均有电压、电流互感器,电压互感器为Y/Y接线。接线二次相电压为400/√3可选用380V三相四线电能表。也可选用三块220V民用电能表分别计费,再累加电量。另一种二次电压为100/√3,可选用100V的三相四线电能表。 |
| 高压计量箱接线原理图: |
|
|


