高压计量箱的产品概述:
JLS-10高压计量箱为户外油浸式计量箱,适用于50Hz,6-10kV三相电力线路中,作为电能计量用,尤其适用于用电负荷变化大的工作场合。油式瓷瓶计量箱应用年限较长,技术成熟,性能稳定,运行可靠,价格低廉。
1、电流互感器精度为0.2S级,双变比,适用于负荷变化大的情况。
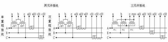
2、三元件计量箱A、B、C三相均装有电压、电流互感器,适用于三相负荷不平衡易造成缺相的线路。
高压计量箱的型号含义:

高压计量箱的使用环境条件:
1、安装场所:户外
2、环境唯独:-25℃至+40℃
3、海拔:海拔高度不超过2000米
4、无腐蚀性气体;爆炸易燃的环境
高压计量箱的结构特点:
变压器油绝缘性能好,散热好,皮实耐用。产品分为两元件和三元件两种。两元件中A、C两相装有电压、电流互感器,电压互感器为V/V接线。二次电压为100V。配用三相三线电能表。三元件中A、B、C三相均有电压、电流互感器,电压互感器为Y/Y接线。接线二次相电压为400/√3可选用380V三相四线电能表。也可选用三块220V民用电能表分别计费,再累加电量。另一种二次电压为100/√3,可选用100V的三相四线电能表。
高压计量箱的技术参数:
表1SX-JLSJW-6.10电流部分技术参数
|
额定一次电流 (双变比结构) (A) |
额定二次电流 |
准确级次与额定二次负荷(VA) |
FS倍数 |
1S热 |
动稳定电流 |
|||
|
0.2S |
0.2 |
0.5S |
0.5 |
|||||
|
5-10,10-15,10-20,15-30, |
5 |
10 |
10 |
15 |
15 |
5、10 |
150 |
292.5 |
|
150-200,150-300,200-300 |
80 |
156 |
||||||
表2 ,JLS-6.10电压部分技术参数
|
型 号 |
额定一次电压(kV) |
最高工作电压(kV) |
额定二次电流(A) |
准确级次与额定二次负荷(VA) |
最大 |
一次工频耐压(kV) |
|||
|
0.2 |
0.5 |
1 |
|||||||
|
SX-JLS-6 |
两 |
6 |
6.9 |
100 |
20 |
30 |
50 |
320 |
32 |
|
10 |
11.5 |
20 |
30 |
50 |
460 |
38 |
|||
|
SX-JLS-6 |
三 |
6/√3 |
6.9 |
100/√3 |
20 |
30 |
50 |
320 |
32 |
|
10/√3 |
11.5 |
400/√3 |
20 |
30 |
50 |
460 |
38 |
||
1、额定绝缘水平
6 kV 6.9/32 kV
10 kV 11.5/38 kV
2、二次之间对地,工频耐压3 kV/1min。
3、倍频感应耐压从二次加,一次感应到150Hz、28 kV、40S。
高压计量箱的接线原理图:

高压计量箱的外形安装尺寸:

高压计量箱的注意事项:
1、安装及使用维护
a、本系列产品JLS-6.10应配三相三线电表,本系列产品产品JLS-6.10III应配三相四线电表。
b、本系列产品使用安装时,相序一定要同电网相序相同。
c、产品安装时必须配装相应电压等级的避雷器。
2、警告
首次使用时,关电后一定要观察电表走向,如出现电表不转或道转时立即停电检查二次接线,否则有可能烧毁组合互感器。

